16 Mar,2026
دنده در مقابل پره در مقابل پیستون: کدام پمپ هیدرولیک صنعتی بهترین راندمان را ارائه می دهد؟


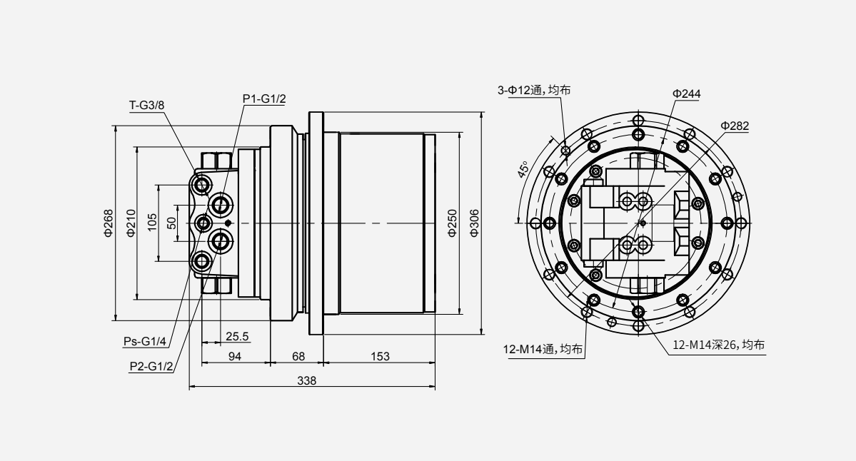
موتورهایی با فشار بالا، درایو با سرعت بالا و شیرهای تعادل،
این برای شرایط بار بالا طراحی شده است
این راه حل ایده آل برای یک بیل مکانیکی هیدرولیک 6 تا 50 تنی است
طراحی کارآمد و جمع و جور
فناوری فشار بالا کارایی سیستم هیدرولیک را افزایش می دهد
موتور دو سرعته با دریچه تعادل یکپارچه و شیر فشار شکن
موتور عملکرد ترمز هیدرولیک را یکپارچه می کند
سرعت را می توان به طور خودکار در صورت درخواست تغییر داد
دمای پایین، راندمان بالا
محدوده دمای عملیاتی: -20 درجه سانتیگراد تا 80 درجه سانتیگراد
طراحی فشرده
موتورهای پرفشار کم جابجایی عمر مفید اجزای مهم را افزایش داده و کل را بهبود می بخشد
دوام سیستم
آستر تمام مسی برای چرخش پیستون هیدرولیک
سینی توزیع دوتایی فلزی (مس/فولاد).
ترکیب چرخش با یک سیستم فنری ویژه عمر موتور را افزایش می دهد
سیستم آب بندی سه گانه کاهنده: مهر و موم دخمه پرپیچ و خم مکانیکی، مهر و موم روغن نوع V، مهر و موم روغن اصلی.
مهر و موم اصلی روغن را می توان بدون جدا کردن کاهنده تعویض کرد
بلبرینگ های کاهنده اجزای مستقل هستند، به راحتی نصب می شوند و می توانند به طور کامل برای بارهای منفی تنظیم شوند3
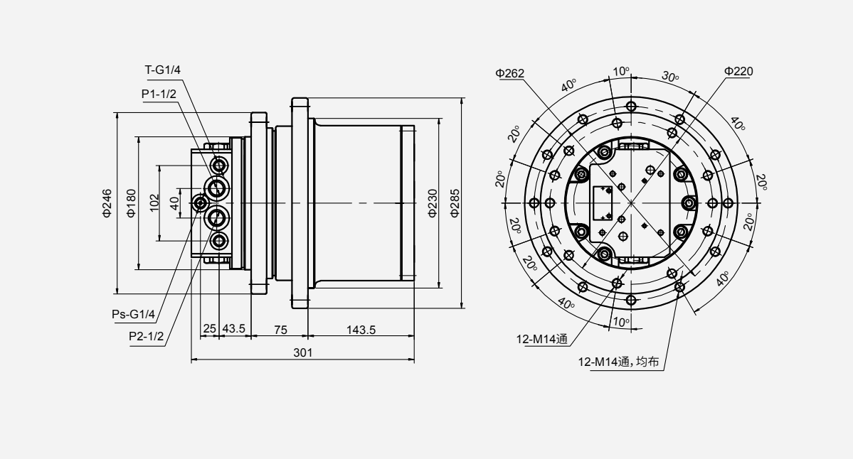
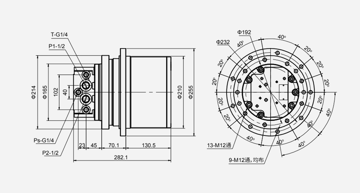
ITM01:
| مدال | (L/min) | (ML/r) | (Mpa) | (Mpa) | نسبت دنده | (N.m) | (r/min) | چرخش | (℃) | (mm2/s) |
| ITM01 | 20 | 6.31/12.56 | 25 | 2-7 | 36.96 | 1845 | 85.8/43 | دو طرفه | -20-80 | 16-25 |
| مدال | (L/min) | (ML/r) | (Mpa) | (Mpa) | نسبت دنده | (N.m) | (r/min) | چرخش | (℃) | (mm2/s) |
| ITM03 | 40 | 12/18 | 21 | 2-7 | 45.2 | 2719 | 55/37 | دو طرفه | -20-80 | 16-25 |
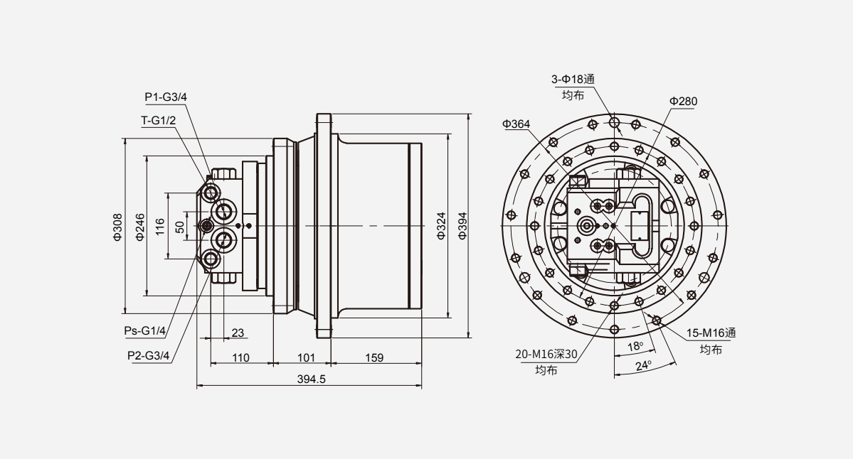
ITM04:
| مدال | (L/min) | (ML/r) موتور | (Mpa) | (Mpa) | نسبت دنده | (N.m) | (r/min) | چرخش | (℃) روغن | (mm2/s) |
| ITM04 | 40 | 14.3/23.6 | 21 | 2-7 | 52.7 | 4200 | 55/33 | دو طرفه | -20-80 | 16-25 |
| مدال | (L/min) جریان ورودی | (ML/r) | (Mpa) | (Mpa) | نسبت دنده | (N.m) | (r/min) | چرخش | (℃) | (mm2/s) |
| ITM06 | 50 | 19/34 | 24.5 | 2-7 | 47.53 | 6300 | 55/30 | دو طرفه | -20-80 | 16-25 |
| مدال | (L/min) جریان ورودی | (ML/r) | (Mpa) فشار کاری | (Mpa) | نسبت دنده | (N.m) | (r/min) | چرخش | (℃) روغن | (mm2/s) |
| ITM07 | 50 | 22/44 | 27.5 | 2-7 | 53.706 | 10500 | 50/25 | دو طرفه | -20-80 | 16-25 |
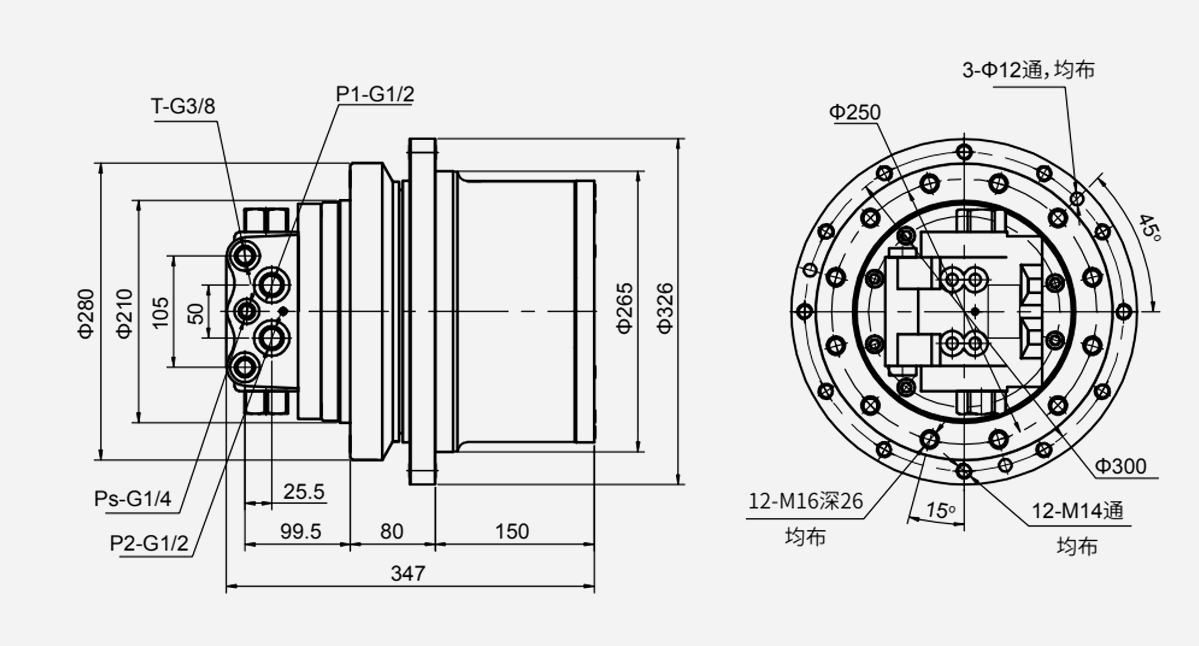
ITM09:
| مدال | (L/min) | (ML/r) | (Mpa) | (Mpa) | نسبت دنده | (N.m) | (r/min) | چرخش | (℃) | (mm2/s) |
| ITM09 | 80 | 34/53 | 30 | 2-7 | 53.7 | 11500 | 51/33 | دو طرفه | -20-80 | 16-25 |
| مدال | (L/min) | (ML/r) | (Mpa) | (Mpa) | نسبت دنده | (N.m) | (r/min) | چرخش | (℃) | (mm2/s) |
| ITM10 | 80 | 38/65 | 25 | 2-7 | 53.7 | 13000 | 51/33 | دو طرفه | -20-80 | 16-25 |
| مدال | (L/min) | (ML/r) | (Mpa) | (Mpa) | نسبت دنده | (N.m) | (r/min) | چرخش | (℃) | (mm2/s) |
| ITM18 | 130 | 43/67 | 30 | 2-7 | 53 | 16900 | 57/37 | دو طرفه | -20-80 | 16-25 |
| مدال | (L/min) | (ML/r) | (Mpa) | (Mpa) | نسبت دنده | (N.m) | (r/min) | چرخش | (℃) | (mm2/s) | قابل اجرا مدل ها |
| ITM22 | 130 | 48/81 | 34.3 | 2-7 | 53.7 | 23700 | 50/30 | دو طرفه | -20-80 | 16-25 | 13-17 |
| مدال | (L/min) | (ML/r) | (Mpa) | (Mpa) | نسبت دنده | (N.m) | (r/min) نظری | چرخش | (℃) | (mm2/s) |
| ITM40 | 230 | 99/147 | 34.3 | 2-7 | 50.5 | 40546 | 50/32 | دو طرفه | -20-80 | 16-25 |
| مدال | (L/min) | (ML/r) | (Mpa) | (Mpa) | نسبت دنده | (N.m) | (r/min) | چرخش | (℃) | (mm2/s) |
| ITM60 | 330 | 195/120 | 34.3 | 2-7 | 63.84 | 67000 | 40/26 | دو طرفه | -20-80 | 16-25 |
محصولات ارائه شده توسط شرکت های معروف به شدت مورد اعتماد کاربران هستند.
سالها تجربه در صنعت
منطقه کارخانه
کارکنان ماهر
خط تولید پیشرفته
INI Hydraulic Co., Ltd. برای طراحی و ساختن بال های هیدراولیک، موتورهای هیدراولیک و گیربکس های سیاره بیشتر از ۲۰ سال مخصوص شده است. ما یکی از دستیاران دستیاری ماشین ساختمان حرفه ای در آسیا هستیم. تغییر دادن برای بهترین طراحی تجهیزات مهارت مشتریان راه ما است که در بازار به شدت زنده بمانیم. بیش از ۲۶ سال، که توسط اقدام نوآوری همیشه برای نیازهای مشتریان راهنمایی میشود، ما یک مجموعه از خطوط محصولات گسترده را بر اساس تکنولوژیهای خود توسعه میکنیم. ویژه وسیع محصولات، هر کدام از موتورهای خطرناک و الکتریکی، گیربکس های سیارهی سیاره، رانندگیهای خطرناک، رانندگیهای انتقال، موتورهای هیدراولیک، پومپها و سیستمهای هیدراولیک وجود دارد.
قابلیت اطمینان محصولات ما در کاربردهای متنوع، از جمله محدود نکردن ماشین آلات صنعتی، ماشین آلات ساختمانی، ماشین آلات کشتی و عرشه، تجهیزات خارج از ساحل، ماشین آلات معدنی و متالورژی به شدت ثابت شده است.
علاوه بر این، کیفیت محصول ما توسط چندین نهاد گواهی معتبر در سراسر جهان تایید شده است. گواهینامه هایی که محصولات ما دریافت کرده اند عبارتند از: گواهینامه آزمون نوع EC، گواهینامه BV MODE، گواهینامه DNV GL، گواهی انطباق EC، گواهی تایید نوع برای محصول دریایی و تضمین کیفیت ثبت Lloyd. تاکنون علاوه بر چین بازار داخلی، محصولات خود را به صورت گسترده به کشورهای آمریکا، آلمان، هلند، استرالیا، روسیه، ترکیه، سنگاپور، ژاپن، کره جنوبی، مالزی، ویتنام، هند و ایران صادر کرده ایم. لجستیک و خدمات پس از فروش ما به سرعت و با اطمینان تمام دنیا را برای منافع عمیق مشتریان خود پوشش می دهد.
16 Mar,2026
09 Mar,2026
02 Mar,2026
23 Feb,2026
TOP