16 Mar,2026
دنده در مقابل پره در مقابل پیستون: کدام پمپ هیدرولیک صنعتی بهترین راندمان را ارائه می دهد؟


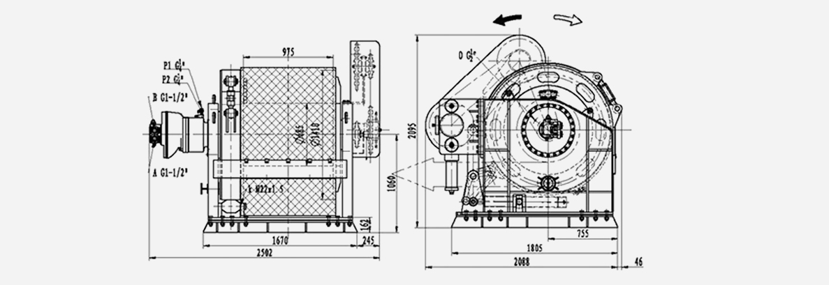
وینچ پهلوگیری سری l*J---C محصولات پتنت شرکت ما هستند. آنها از بلوکهای سوپاپ با عملکرد محافظت از اضافه بار، موتور هیدرولیک (الکتروموتور با ترمز)، گیربکس سیارهای، ترمز تسمه، کلاچ دندانی، سر درام، قاب و غیره تشکیل شدهاند. به دلیل تناسب آن با بلوک سوپاپ، نه تنها طراحی سیستم هیدرولیک را ساده کرد، بلکه قابلیت اطمینان درایوها را نیز بهبود بخشید. سری وینچ میتواند عملکرد CT داشته باشد، اگر به یک دریچه کشش ثابت مجهز باشد، این سری همچنین دارای راندمان راهاندازی و کارایی بالایی است. علاوه بر این، در مقایسه با لنگرگاه سنتی، راندمان انتقال کل سری به میزان 6 تا 10 درصد بهبود مییابد و به دلیل بسته بودن سیاره، تلفات انرژی کمتر است.
| مدل | IYJ34.54.5-100 / 50-500-24-C-PDX | IYJ56- -200-500- -38-C-PDLX | IYJ699-C | IYJ99-600-1000-50-C-PDLX | IYJ4611-750/150-240-54-C-PDLX | IYJK08-50-150-22-PDL |
| کشش کاری رتبه اول لایه (KN) | 100/50 | 200 | 350/140 | 600 | 750/150 | 50 |
| بار پشتیبانی ترمز (KN) | - | 600 | 500 | 900 | 1250 | - |
| سرعت لایه 1 (m/min) | 15/30 | 15.6 | 6/12 | 5 | 5/20
| 20 |
| جابجایی درام (ml/r) | 10143.6/5119.2 | 40936 | 75600/37800 | 90744.43 | 103304.35/25826 | 6360.66 |
| فشار نامی سیستم (MPa) | 25 | 16 | 26/10.5 | 22 | 31/26 | 15 |
| قطر طناب (میلی متر) | 24 | 38 | 38 | 50 | 54 | 22 |
| تعداد لایه های طناب | 8 | 7 | 5 | 6 | 4 | 7 |
| قابلیت درام (m) | 490 | 500 | 500 | 1000 | 240 | 60 |
| جریان پمپ (L/min) | 90 (ηv=0.9) | 300 (ηv=0.94) | 162 (ηv=0.9) | 139(ηv=0.9) | 178 (ηv=0.9) | 79 (ηv=0.9) |
| نوع موتور هیدرولیک | A6V107ED22FZ2-054 | INM5-1450D48011 | HLA4VSM2500Z-125 | INM7-3600024011 | A6VM160HD1D/63W0400VZB080 | GM3-1000-7D47 |
| نوع گیربکس سیاره ای | IGT6DW3-B95-A6V107(I=94.8) | C56 (I=28) | IGC330W3-B302-A4V250(I=302.4) | 6C3302-335-IW7(I=25.13) | C46611 (I=645.65) | - |
محصولات ارائه شده توسط شرکت های معروف به شدت مورد اعتماد کاربران هستند.
سالها تجربه در صنعت
منطقه کارخانه
کارکنان ماهر
خط تولید پیشرفته
INI Hydraulic Co., Ltd. برای طراحی و ساختن بال های هیدراولیک، موتورهای هیدراولیک و گیربکس های سیاره بیشتر از ۲۰ سال مخصوص شده است. ما یکی از دستیاران دستیاری ماشین ساختمان حرفه ای در آسیا هستیم. تغییر دادن برای بهترین طراحی تجهیزات مهارت مشتریان راه ما است که در بازار به شدت زنده بمانیم. بیش از ۲۶ سال، که توسط اقدام نوآوری همیشه برای نیازهای مشتریان راهنمایی میشود، ما یک مجموعه از خطوط محصولات گسترده را بر اساس تکنولوژیهای خود توسعه میکنیم. ویژه وسیع محصولات، هر کدام از موتورهای خطرناک و الکتریکی، گیربکس های سیارهی سیاره، رانندگیهای خطرناک، رانندگیهای انتقال، موتورهای هیدراولیک، پومپها و سیستمهای هیدراولیک وجود دارد.
قابلیت اطمینان محصولات ما در کاربردهای متنوع، از جمله محدود نکردن ماشین آلات صنعتی، ماشین آلات ساختمانی، ماشین آلات کشتی و عرشه، تجهیزات خارج از ساحل، ماشین آلات معدنی و متالورژی به شدت ثابت شده است.
علاوه بر این، کیفیت محصول ما توسط چندین نهاد گواهی معتبر در سراسر جهان تایید شده است. گواهینامه هایی که محصولات ما دریافت کرده اند عبارتند از: گواهینامه آزمون نوع EC، گواهینامه BV MODE، گواهینامه DNV GL، گواهی انطباق EC، گواهی تایید نوع برای محصول دریایی و تضمین کیفیت ثبت Lloyd. تاکنون علاوه بر چین بازار داخلی، محصولات خود را به صورت گسترده به کشورهای آمریکا، آلمان، هلند، استرالیا، روسیه، ترکیه، سنگاپور، ژاپن، کره جنوبی، مالزی، ویتنام، هند و ایران صادر کرده ایم. لجستیک و خدمات پس از فروش ما به سرعت و با اطمینان تمام دنیا را برای منافع عمیق مشتریان خود پوشش می دهد.
16 Mar,2026
09 Mar,2026
02 Mar,2026
23 Feb,2026
TOP